直线导轨系为一种滚动导引,藉由钢珠在滑块与导轨之间作无限滚动循环,负载平台能沿着导轨轻易地以高精度作线性运动。
上银科技直线导轨优点及特点:定位精度高、磨耗少能长时间维持精度、适用高速运动且大幅降低机台所需驱动马力、可同时承受上下左右方向的负荷、组装容易并具互换性、润滑构造简单。
上银科技精确控管制程,不管是研磨级滚珠丝杠或转造级滚珠丝杠皆严守精确牙型设计。严谨的热处理制程以确保上银科技滚珠丝杠的硬度及耐磨性能,皆为达到高负荷及长寿命之要求。
上银科技滚珠丝杠有许多优点,举凡高效率、可逆性、零背隙、高刚性,导程精度高及其他多项优点,与传统艾克姆丝杠(ACME)相比较,上银科技滚珠丝杠在丝杠与螺帽间,加入钢珠。将传统丝杠的滑动磨擦传动以钢珠滚动运动取代。以大大降低磨擦损耗,有助于维持高效率及高精度。
上银科技单轴机器人系利用多年来的制造技术与专业水平,配合上银科技自行研发生产的滚珠丝杠与直线导轨设计之模块,具有安装容易、体积小、高精度等特点,产品种类规格多样化,适用于各类自动化设备。
ABBA的技術團隊擁有充足的能力去滿足及支援客戶的需求,並提供專業的意見給客戶諮詢。
外循環系列
提供較順暢之鋼珠迴流
對於高導程及大直徑滾珠螺桿提供較佳的工作品質
內循環系列
螺帽外徑較為精巧; 適合內部空間較小的機器
組裝螺帽需注意螺桿軸必須有一端是通牙,且該端的肩部直徑必須小於螺桿軸外徑
高導程/靜音系列
高DN值
高速度
高剛性
低噪音
高定位精度
線性滑軌移動時摩擦力非常小,屬於滾動摩擦,故只需極小的動力即可驅動平台,因為摩擦力小,故而摩擦所產生的熱極小,相較於傳統的滑動方式,可大幅降低運行軌道接觸面的磨損,能長時間維持高定位精度、行走精度與低磨損。
滑軌與軌道探用四方向等負荷設計,故對於來自於各方向之負荷,都須具有足夠的抵抗強度,且具備自動調心之能力,可允許較大的安裝誤差使加工較容易,並可施予足夠的 預壓量以獲得高剛性。
保養維護容易
相較於傳統的滑動系統,均有對於運行的軌道面進行鏟花或研磨的動作,因滑動所產生的磨耗往往使得機台一段時間就必須重新鏟花或研磨,曠日費時且成本極高,線性滑軌具有 互換性,若進行更換或維修即可恢復機台之行走精度。
高速性
因滑塊與軌道及鋼珠探用滾動的點接觸,故磨擦係數極小且不易生熱,因而僅需極小之動力即可驅動機台運行,因為所需的驅動力小且功率消耗叉低,故較滑動裝置更適合於高速 運行之揚合使用。
無間隙高機械效率
在加有預壓方式或工作負荷時,鋼珠在負荷方向以兩點接觸,差動滑動小,進而可以得到很好的滾動運動,提高效率。
應用
電子、電腦機械、半導體設備、輸送搬運機器、工具機、自動化工程設備、醫療設備以及LCD製程設備等產業。
滾珠螺桿是一種利用內部的鋼珠的旋轉運動轉換成直線運動的機械元件。滾珠螺桿相較於傳統的ACME(艾克姆)螺桿,有更長的壽命、環保、運作更穩定的特性。
滾珠螺桿的特色
高信賴性
TBI MOTION 滾珠螺桿是以多年來所累積的製品技術為基礎,從材料、熱處理、製造、檢查至出貨,都是以嚴謹的品保制度來加以管理,因此具有高信賴性。
圓滑的動作性
滾珠螺桿具有比滑動螺桿更高的效率,所需扭矩只有 30% 以下。可輕易將直線運動變換為回轉運動。滾珠螺桿即使給與預壓,亦能維持圓滑的動作特性。
無背隙與高剛性
滾珠螺桿,採用哥德式 (Gothic arch) 溝槽形狀、軸方向間隙調整至極小亦能輕易轉動。又於一個或兩個螺帽間做預壓調整,予消除軸方向間隙,使其具有可符合使用條件的適當剛性。
循環方式
TBI MOTION 擁有內循環式、外循環式及端蓋循環式多項循環專利,滿足客戶各項需求。
優異的耐久性
TBI MOTION 滾珠螺桿以累積多年的滾珠螺桿之生產技術荷基礎,採用嚴謹的材料藉由高度熱處理及加工技術,可供給耐久性的製品。
自動化工業、半導體工業、產業級機械、醫療級工業、太陽能設備、工具機機械、停車場設備..等相關產業中。
大負荷容量
滾珠的滾動溝槽採精密研磨成型,且採用哥德型40°角接觸,因接觸角度 大,故在徑向和扭矩方向都具有很大的負荷容量。
旋轉方向零間隙
通過採用接觸角度為40°的相對2 ~ 4排滾珠列,將花鍵軸與花鍵外筒結合,並可透過調整 預壓方式,使旋轉方向的間隙可為零。
高度靈敏性
由於鋼珠接觸點採特殊之設計,除高剛性外更具靈敏性,並可降低能量之浪費。
由於接觸角大,故具有高剛性,並可視情況施加恰當的預壓,所以能獲得較高的扭矩剛性、力矩剛性。
裝配簡單
由於採用特殊之設計,即使將花鍵外筒從花鍵軸脫離,鋼珠也不會脫落。故而裝配、保養、檢查都很容易進行。
花鍵旋轉方向零間隙/高定位精度
螺帽與鋼珠接觸角為40°,採用軸承DB型(背對背式組合)設計,由於珠溝有效中心間的寬跨度使得這種設計特別適用於承受力矩荷載。
高速性/運行順暢
旋轉系列螺桿皆為高導程設計,可高速平滑流暢的運動。
透過高精密研磨技術讓鋼珠在螺帽內平順的沿切線方向行走,減少因阻滯而產生的噪音及摩擦力。
安裝簡便/節省空間
螺帽與軸承外套一體成型,螺帽體積小、組裝空間大。組裝時只要將螺絲與軸承外套鎖固在支撐座上即可,十分簡便。
軸的選用(實心軸、空心軸)
當花鍵軸端或中間部份的直徑較大時, 將依客戶之需求進行切削加工, 而需配管、配線、排氣或減輕重量之處,則可以選用中空型花鍵軸來搭配使用。
單軸機器人採用之線軌與螺桿的優點,將螺帽與滑塊設計成一體式機構,並搭配高剛性的U型軌******化斷面,可達到******的空間節省及大幅度減少組裝的時間,確保其高剛性、高精度的要求,其鋼珠滾動面採用2列哥德式圓弧及45°接觸角的卓越設計,更提供了X、Y軸向可承受來自四方向的負荷能力。
直線軸承、心軸、心軸支撐座、螺桿支撐座(固定座)、螺桿支撐座(支持座)、聯軸器。
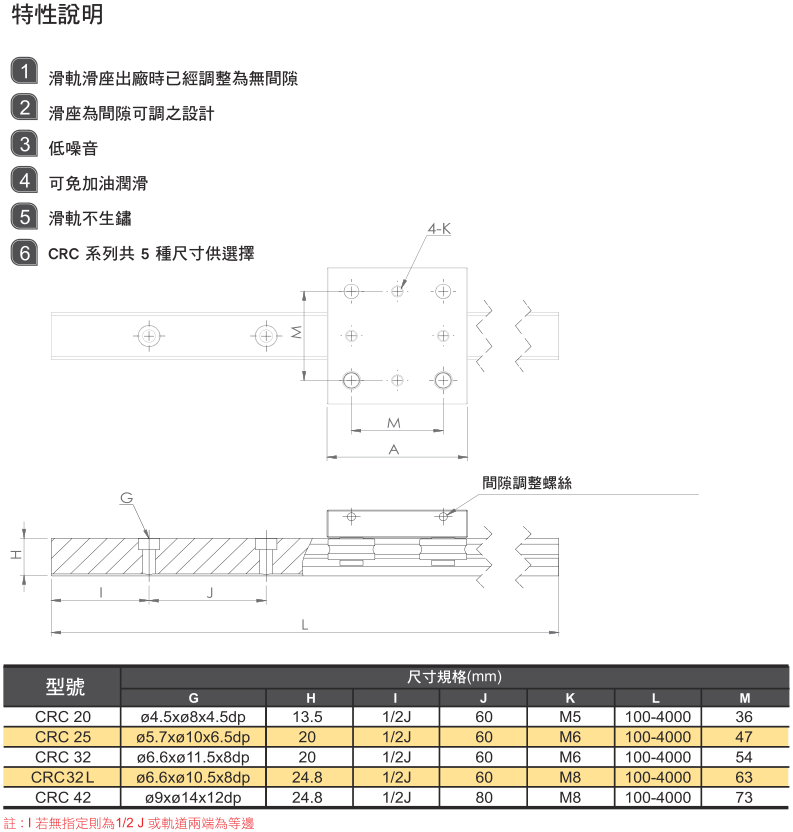
滑座為間隙可調之設計
可免加油潤滑
滑軌防鏽
安裝容易
CRC 標準型
CRD 防塵型
CRE 經濟型
电话
咨询热线:
QQ
在线沟通:
微信
微信二维码
关注我们